產品簡介
沃思智能諧波保護器采用專用特殊電路和航空鋁材塑殼,能吸收各種頻率和能量的諧波干擾,隨時跟蹤電源波形,瞬時濾除電源中的諧波及尖峰雜波,改善電源波形,使電網電源波形變得光滑清潔。應用于用戶側諧波的治理,保護控制系統的電子設備不受高次諧波的危害,(如:精密設備,電腦,PLC,傳感器,無線設備的保護)

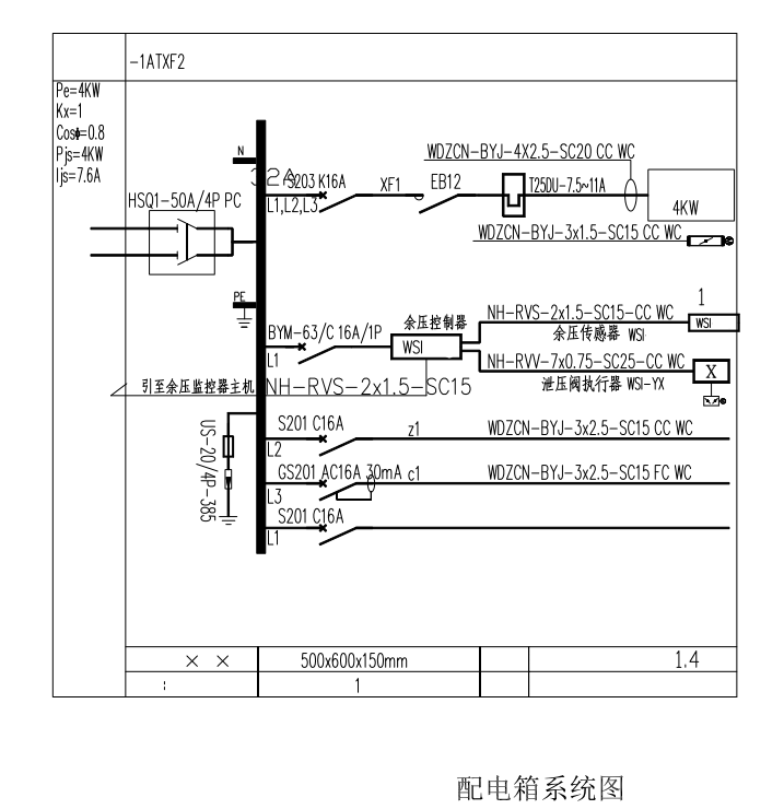
圖紙設計:

產品參數
| 項目 | 諧波保護器 | |
| 三相系統/單相系統 | ||
| 系統參數 | 系統參數 | 220/400V±20%;50HZ |
| 連接方式 | 星型/三角形 | |
| 設備損耗 | <1W | |
| 性能指標 | 保護頻段 | 1kHz~20MHz |
| 絕緣電阻 | >2MΩ | |
| 脈沖電流 | 12000A | |
| 環境要求 | 環境溫度 | -10℃~+45℃ |
| 存儲溫度 | -40℃~+60℃ | |
| 環境濕度 | ≤95%,無凝露 | |
| 海拔高度 | ≤2000米 | |
| 其他 | 防護等級 | IP20 |
產品特點
1專門針對控制設備提供諧波保護
2.大大減少計算機、PLC、DCS等設備的死機,大大提高通訊設備的壽命
3.減少物聯網等通訊網路阻塞
4.應用頻段寬,可吸收從2KHZ—10MHz頻率各種能量的諧波干擾
5.可靠性高,諧波保護器無源并聯在電路中,導軌式安裝,將諧波消除在發生源,隨時跟蹤電源波形,矯正諧波影響而產生畸變的電源波形
6.諧波保護器本身不耗電,經久耐用,安全可靠。
產品尺寸
