超級通用型景觀燈智能照明控制器新一代無線遠程智能照明控制器。該產品基于GPRS/3G/4G無線通信技術、Internet/光纖有線通信技術和云平臺技術,在網絡信號覆蓋的地方,用戶可以任意時刻使用手機客戶端軟件、電腦客戶端軟件對控制器遠程控制和監測。自帶日期時間方案、周方案、經緯度方案三種時間方案,用戶可以任意選擇一種時間方案進行定時控制,亦支持外接光照度傳感器進行光照度自動控制。同時,控制器內置電量采集電路,無需外接電能表就可以直接采集電壓、電流、功率等電量參數;GF-LCS6008-CLC控制器自帶4.3英寸彩色LCD觸摸液晶屏,無需任何機械按鈕,用戶點擊觸摸液晶屏即可進入各個菜單,操作方便、簡單、流暢,非常利于現場人員操作和調試。目前,GF-LCS6008-CLC超級通用型景觀燈智能照明控制器已被廣泛應用于城市樓體、園林亮化、港口碼頭、鐵路貨場、城市廣場、科技園區、港口碼頭等各類照明項目中。

主要功能
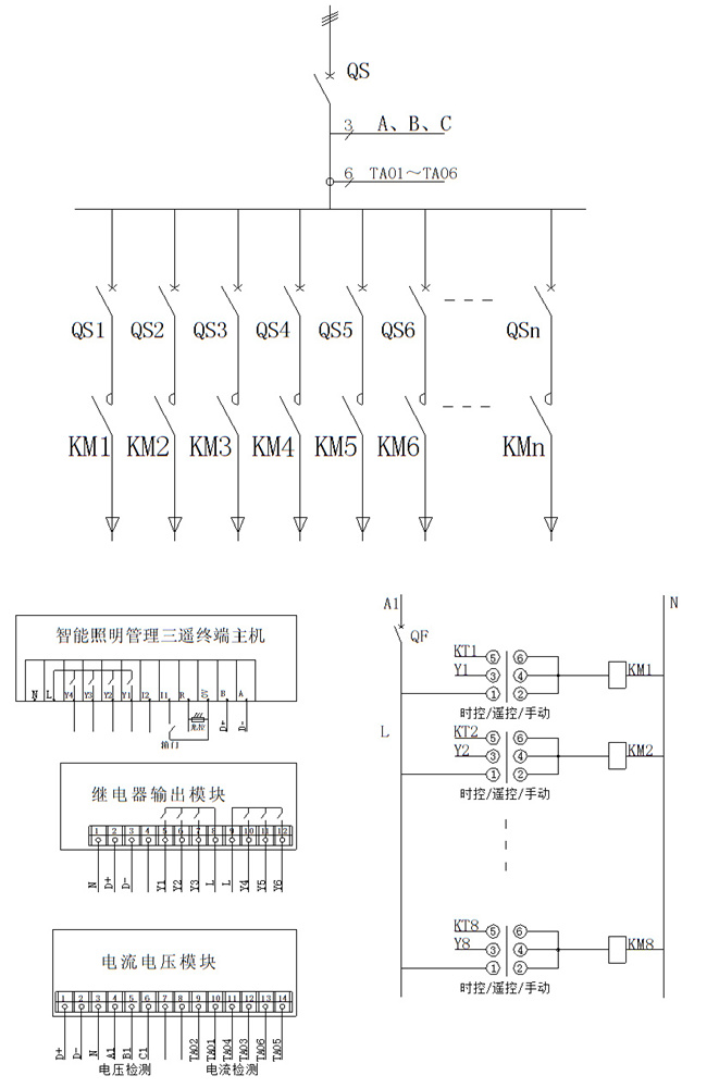
1 數字開關量輸出
輸出特性:8路輸出,一組常開,額定負載250VAC/10A。支持本地回路開關操作,支持遠程回路開關操作。
2 數字開關量輸入
輸入特性:8路輸入,無源干接點,常開。支持接觸器吸合狀態檢測,輸入輸出狀態不一致報警,白天開燈晚上熄燈報警。輸入干節點信號閉合報警,可用作非法開門報警,電子圍欄報警等。
3 多種定時控制
產品內置日期時間方案、周方案、經緯度方案三種時間方案,用戶可以任意選擇一種時間方案進行定時控制。
4 電量采集
產品內置電壓互感器、電流互感器、電表芯片等采集電路,可以直接采集三相電壓、六路電流、功率等參數;支持電壓電流的上下限越限報警;支持回路功率檢測,可根據功率估算線路亮燈率。
5 本地人機界面操作
自帶4.3英寸彩色液晶屏,無機械按鈕,用戶可以流暢地在進入各個菜單進行本地開關燈操作、本地定時方案設定,設備狀態參數查詢和配置等。
6 RS485接口功能
產品支持外接485接口的光照度傳感器,可以實時采集光照度值,控制器可以根據自然環境光實現全開、半開、全關。
產品支持外接485接口的DLT-645 07規約電表的抄讀,可以抄讀總電能。
7 網絡校時功能
產品支持網絡校時功能,控制器可以周期性地和NTP服務器進行時間同步,實現高精度實時時鐘。
四、技術指標

五、主要特色
智能照明控制器是基于計算機技術、通信技術、自動化技術等前沿技術研發生產出來的,經過了若干次的硬件版本和軟件版本迭代升級,在未來相當長的一段時期內不會落后,降低了用戶重復投資的風險。
2 超高精度
采用了高精密電流電壓校準裝備對控制器的采集電路部分進行了校準,電壓、電流、功率等電量參數采集精度均為0.5級,即采集誤差<=0.5%。超高精度的電壓電流采集電路為用戶準確監測燈具狀態、精準統計電量參數保駕護航。
3 美觀大氣
采用了4.3英寸全彩色液晶觸摸屏,舒適的顯示效果、流暢的觸控體驗、豐富的菜單界面,美觀大氣,可以一定程度上將工作人員從繁重的現場操作勞務上解放出來。
4 抗干擾能力強
控制器的設計生產遵循質量標準,產品采用防反接、防過壓、防電流、光耦隔離等電路設計技術,經得起苛刻的現場環境考驗和現場人員反復操作調試。
5 高穩定性
控制器全部采用進口工業級芯片和元器件,出廠時經過了48小時以上的老化測試,可以在-20℃~+70℃的嚴酷環境下連續無故障工作上萬小時。
6 通信方式靈活
支持無線遠程控制和有線遠程控制,用戶可以根據網絡環境自由選擇其中一種。采用無線遠程控制時,控制器插入GPRS手機卡即可連接到云平臺實現遠程控制和監測;采用有線控制器,控制器通過485接口和串口服務器即可連接到云平臺實現遠程控制和監測。